HOME
BOOKMARK +
ȸ»ç¼Ò°³
Àλ縻
ȸ»ç¾È³»
Á¦Ç°¼Ò°³
ÀüÀں극ÀÌÅ©
ÀüÀÚŬ·¯Ä¡
POWER UNIT
VECTOR MOTOR
±â¼úÁö¿ø
ÀÚ·á½Ç
°í°´Áö¿ø
°øÁö»çÇ×,´º½º
ã¾Æ¿À½Ã´Â ±æ
ÀÚ·á½Ç
Home > ±â¼úÀÚ·á >
ÀÚ·á½Ç
Á¦Ç°¸í
ºê·¹ÀÌÅ© °á¼±µµ
*
DC-B ÀüÀں극ÀÌÅ© °á¼±µµ *
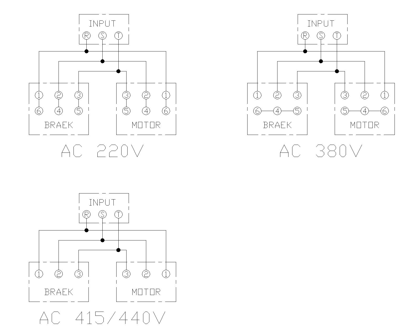
* AC-B ÀüÀں극ÀÌÅ© °á¼±µµ *
ºê·¹ÀÌÅ© Á¡°Ë¾È³» ¹× Á¶¸³..
ÀüÀں극ÀÌÅ© Çãºê Ä¡¼ö
ÀüÀں극ÀÌÅ© ÀåÂø½Ã FAN C..
¹«»ó Á¦Ç° A/S ¹× º¸Áõ ¾È..
ºê·¹ÀÌÅ© °á¼±µµ
ÀüÀں극ÀÌÅ© °£·«Á¶¸³µµ
ÀüÀں극ÀÌÅ© °íÀå¿øÀÎ ¹× ..
Á¦Ç°¸í
³»¿ë
ÀÛ¼ºÀÚ
~